J型防塵圈
J型防塵圈具有結構簡單、截面小、安裝方便、成本低等特點,廣泛用于油缸和氣缸中,防止外界污染物混入液壓系統和密封系統,有時亦用于直接密封。主要材料有丁晴橡膠NBR和氟膠FKM,設計選用時可參照HG4-332-66標準。
工況條件:
工作溫度:丁晴橡膠NBR:-30~+120℃;
氟膠FKM:-20~+200℃;
工作介質:液壓油、乳化液、水;
往復速度:≤1m/s。

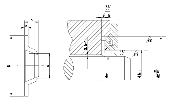
| 規格及溝槽尺寸 | |||||||
| 訂貨號 | d | D | h | e | d1 | d2 | E |
| FPJ204008 | 20 | 40 | 8 | 2.5 | 27 | 42 | 2 |
| FPJ224210 | 22 | 42 | 10 | 29 | 44 | ||
| FPJ254510 | 25 | 45 | 32 | 47 | |||
| FPJ284810 | 28 | 48 | 35 | 50 | |||
| FPJ305010 | 30 | 50 | 37 | 52 | |||
| FPJ325710 | 32 | 57 | 39 | 59 | |||
| FPJ356012 | 35 | 60 | 12 | 3 | 42 | 62 | 2.5 |
| FPJ386312 | 38 | 63 | 45 | 65 | |||
| FPJ406512 | 40 | 65 | 48 | 68 | |||
| FPJ426712 | 42 | 67 | 50 | 70 | |||
| FPJ457012 | 45 | 70 | 53 | 73 | |||
| FPJ487312 | 48 | 73 | 56 | 76 | |||
| FPJ507512 | 50 | 75 | 58 | 78 | |||
| FPJ528214 | 52 | 82 | 14 | 3.5 | 62 | 85 | 3 |
| FPJ558514 | 55 | 85 | 65 | 90 | |||
| FPJ609014 | 60 | 90 | 70 | 95 | |||
| FPJ659514 | 65 | 95 | 75 | 100 | |||
| FPJ7010014 | 70 | 100 | 80 | 105 | |||
| FPJ7510514 | 75 | 105 | 85 | 110 | |||
| FPJ8011014 | 80 | 110 | 90 | 115 | |||
| FPJ8511514 | 85 | 115 | 95 | 120 | |||
| FPJ9012014 | 90 | 120 | 100 | 125 | |||
| FPJ9512514 | 95 | 125 | 105 | 130 | |||
| FPJ10013014 | 100 | 130 | 110 | 135 | |||
| FPJ10513514 | 105 | 135 | 115 | 140 | |||
| FPJ11014017 | 110 | 140 | 17 | 4 | 120 | 145 | 3.5 |
| FPJ12015517 | 120 | 155 | 130 | 160 | |||
| FPJ12816017 | 128 | 160 | 135 | 165 | |||
| FPJ13016517 | 130 | 165 | 140 | 170 | |||
| FPJ14017517 | 140 | 175 | 150 | 180 | |||
| FPJ15019017 | 150 | 190 | 160 | 195 | |||
| FPJ16020017 | 160 | 200 | 170 | 205 | |||
| FPJ17021017 | 170 | 210 | 180 | 215 | |||
| FPJ18022017 | 180 | 220 | 190 | 225 | |||
| FPJ19023017 | 190 | 230 | 200 | 235 | |||
| FPJ20024017 | 200 | 240 | 210 | 245 | |||
| FPJ21025020 | 210 | 250 | 20 | 4.5 | 222 | 255 | 4 |
| FPJ22026020 | 220 | 260 | 232 | 265 | |||
| FPJ24028020 | 240 | 280 | 252 | 285 | |||
| FPJ25029020 | 250 | 290 | 262 | 295 | |||
| FPJ26030020 | 260 | 300 | 272 | 305 | |||
| FPJ28032020 | 280 | 320 | 292 | 325 | |||
| FPJ30034020 | 300 | 340 | 312 | 345 | |||
