FP1型防塵圈
FP1型防塵圈具有結構簡單、截面小、安裝方便、成本低等特點,用于油缸防止污染物混入液壓系統和密封系統。主要材料有丁晴橡膠NBR和氟膠FKM,設計選用時可參照JB/ZQ 4607-86標準。
工況條件:
工作溫度:丁晴橡膠NBR:-30~+120℃;
氟膠FKM:-20~+200℃;
工作介質:液壓油、乳化液、水;
往復速度:≤1m/s。

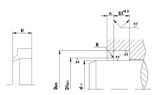
| 規格及溝槽尺寸 | |||||||
| 訂貨號 | d | D | H | D1 | S1 | n | R |
| FP1-182605 | 18 | 26 | 5 | 22 | 2.5 | 2 | 0.3 |
| FP1-202805 | 20 | 28 | 24 | ||||
| FP1-223005 | 22 | 30 | 26 | ||||
| FP1-253305 | 25 | 33 | 29 | ||||
| FP1-283605 | 28 | 36 | 32 | ||||
| FP1-303805 | 30 | 38 | 34 | ||||
| FP1-324106 | 32 | 41 | 6 | 36 | 3 | 2.5 | |
| FP1-354406 | 35 | 44 | 39 | ||||
| FP1-364506 | 36 | 45 | 40 | ||||
| FP1-404906 | 40 | 49 | 44 | ||||
| FP1-455406 | 45 | 54 | 49 | ||||
| FP1-505906 | 50 | 59 | 54 | ||||
| FP1-556406 | 55 | 64 | 59 | ||||
| FP1-606906 | 60 | 69 | 64 | ||||
| FP1-637206 | 63 | 72 | 67 | ||||
| FP1-657406 | 65 | 74 | 69 | ||||
| FP1-708208 | 70 | 82 | 8 | 75 | 4 | 3 | |
| FP1-809208 | 80 | 92 | 85 | ||||
| FP1-859708 | 85 | 97 | 90 | ||||
| FP1-9010208 | 90 | 102 | 95 | ||||
| FP1-9510708 | 95 | 107 | 100 | ||||
| FP1-10011208 | 100 | 112 | 105 | ||||
| FP1-10511708 | 105 | 117 | 110 | ||||
| FP1-11012208 | 110 | 122 | 115 | ||||
| FP1-12013208 | 120 | 132 | 125 | ||||
| FP1-12514010 | 125 | 140 | 10 | 132 | 5 | 3.5 | |
| FP1-13014510 | 130 | 145 | 137 | ||||
| FP1-14015510 | 140 | 155 | 147 | ||||
| FP1-15016510 | 150 | 165 | 157 | ||||
| FP1-16017510 | 160 | 175 | 167 | ||||
| FP1-18019510 | 180 | 195 | 187 | ||||
| FP1-20021812 | 200 | 218 | 12 | 208 | 6 | 4 | 2 |
| FP1-22023812 | 220 | 238 | 228 | ||||
| FP1-25026812 | 250 | 268 | 258 | ||||
| FP1-28029812 | 280 | 298 | 288 | ||||
| FP1-32033812 | 320 | 338 | 328 | ||||
| FP1-36037812 | 360 | 378 | 368 | ||||
