FB型防塵圈
FB型防塵圈一種有金屬骨架的橡膠圈,用于防止污染物混入液壓系統和密封系統。主要材料有丁晴橡膠NBR和氟膠FKM,設計選用時可參照GB/T10708.3-2000標準。
工況條件:
工作溫度:丁晴橡膠NBR:-30~+120℃;
氟膠FKM:-20~+200℃;
工作介質:液壓油、乳化液、水;
往復速度:≤1m/s。

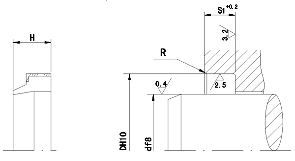
| 規格及溝槽尺寸 | |||||
| 訂貨號 | d | D | H | S1 | R |
| FB-061407 | 6 | 14 | 7 | 5 | 1 |
| FB-081607 | 8 | 16 | |||
| FB-101807 | 10 | 18 | |||
| FB-122207 | 12 | 22 | 10 | 7 | |
| FB-142407 | 14 | 24 | |||
| FB-162607 | 16 | 26 | |||
| FB-182807 | 18 | 28 | |||
| FB-203010 | 20 | 30 | |||
| FB-223210 | 22 | 32 | |||
| FB-253510 | 25 | 35 | |||
| FB-283810 | 28 | 38 | |||
| FB-324210 | 32 | 42 | |||
| FB-364610 | 36 | 46 | |||
| FB-405010 | 40 | 50 | |||
| FB-455510 | 45 | 55 | 10 | 7 | 1.5 |
| FB-506010 | 50 | 60 | |||
| FB-607010 | 60 | 70 | |||
| FB-637310 | 63 | 73 | |||
| FB-708010 | 70 | 80 | |||
| FB-809010 | 80 | 90 | |||
| FB-9010010 | 90 | 100 | |||
| FB-10011512 | 100 | 115 | 12.5 | 9 | |
| FB-11012512 | 110 | 125 | |||
| FB-12514012 | 125 | 140 | 2 | ||
| FB-14015512 | 140 | 155 | |||
| FB-16017512 | 160 | 175 | |||
| FB-18019512 | 180 | 195 | |||
| FB-20021512 | 200 | 215 | |||
| FB-22024016 | 220 | 240 | 16 | 12 | 2.5 |
| FB-25027016 | 250 | 270 | |||
| FB-28030016 | 280 | 300 | |||
| FB-32034016 | 320 | 340 | |||
| FB-36038016 | 360 | 380 | |||
